网站首页
方圆云
企业邮箱
内部登陆
English
方圆介绍
Introduction
新闻中心
News Center
证书查询
Certificate inquiry
服务网络
Service network
人才招聘
Recruitment
联系我们
Contact us
中国绿色建材产品认证
认证要求变更通知
通用规则及政策文件
认证范围
认证流程
证书样本
标志样式及申请
认证介绍
收费标准
产品认证收费公示
客户中心
在线申请
在线咨询
证书查询
客户投诉
方圆总机
:
010-88411888
申投诉专线:
010-68422203
服务网络
--分支机构--
辽宁有限公司
四川有限公司
陕西有限公司
上海有限公司
北京特检有限公司
河南有限公司
山西有限公司
安徽有限公司
福建有限公司
厦门有限公司
湖南有限公司
重庆有限公司
江西有限公司
新疆分公司
广东有限公司
山东有限公司
浙江有限公司
江苏有限公司
河北有限公司
大连有限公司
方圆正联知识产权
您现在的位置:
首页
>
产品认证
>
产品认证
>
中国绿色建材产品认证
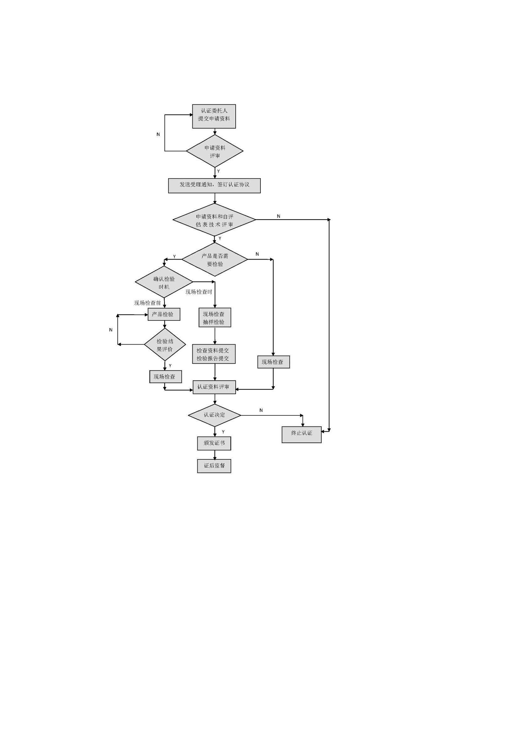
认证流程
九游(9game.com)体育·竞技游戏第一门户网站
|
九游在线网页_九游online(中国)
|
米兰app体育登录入口·(中国)官方网站
|
九游(jiuyou.com)体育第一门户
|
华体会开户
|
开云线上平台(集团)官方网站
|
爱游戏在线官网_爱游戏(中国)
|
开云「Kaiyun」中国·官方网站
|
开云体育
|